Все характеристики
Унитаз с инсталляцией Geberit Kolo Nova Pro Rimfree, подвесной с крышкой, хром глянец. Все характеристики |
|||||||||||||||||||||||||||||||||||||||||||||
|
Описание:
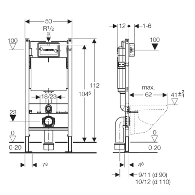
Унитаз подвесной с крышкой Kolo Nova Pro Rimfree, с инсталляцией Geberit Duofix Delta Платтенбау устанавливается перед стеной (фронтальная установка). Цвет кнопки-глянцевый хром. Объем смыва-двойной: 6\9 л (экономный\обычный). Система слива-механическая. Подключение воды-1/2" по центру сзади\сверху. Расстояние между болтами для монтажа унитаза-18 см или 23 см. Сиденье с крышкой плавного опускания. Rimfree-унитаз без внутреннего ободка. Изображение на мониторе может отличаться от оригинала. Комплектность:
В комплекте: подвесной унитаз Kolo Nova Pro Rimfree M39018000, сиденье Kolo микролифт, монтажная рама Geberit Duofix Delta Платтенбау 458.122.21.1, кнопка Delta 21 115.125.21.1, набор креплений и подключений.Страна производства инсталляции-Швейцария. Гарантия на инсталляцию-10 лет. |
|
||||||||||||||||||||||||||||||||||||||||||||
Отзывы
Отзывы
Видео 1

